热门关键词: 气流粉碎机
在细川阿尔派(Alpine)和欧米亚(Omya)集团成功经验的基础上,我们开发出了三种不同的连续式表面包覆系统:针盘磨包覆系统、涡流磨包覆系统和转子磨包覆系统。
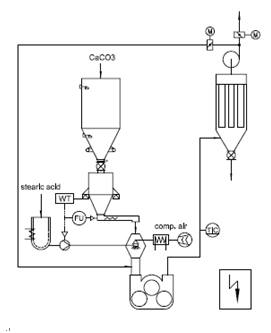
该连续式粉体表面包覆改性系统是在消化吸收德国技术的基础上设计制造的中国设备,可用于多种粉体的表面改性,如碳酸钙粉末(重质、沉淀)、高岭土、滑石、云母、石墨、硫酸钡、白炭黑、氢氧化镁、氧化锌、氧化铝等,该系统适宜于多种固体、液体改性剂,如铝酸盐偶联剂、钛酸盐偶联剂、硅烷偶联剂和硬脂酸。
15853235719
碳酸钙粉末表面处理-通称为“碳酸钙颗粒包覆”系统,适用于PVC或其他塑料生产用填料的加工。 石灰石粉末或重质碳酸钙(GCC)细度 d97: 35微米至 5微米,沉淀的碳酸钙(PCC)细度d50 < 0.1微米.
该加工过程的重要目标是在加工中改性剂在碳酸钙粉末中的均衡完全分布。改性剂的添加量(重量比例)在重质碳酸钙改性产品中占0.4- 1.4%,在沉淀碳酸钙改性产品中占5%。为了使这极少量的改性剂能均衡供给大量的碳酸钙粉末,需要将改性剂溶解再与碳酸钙粉末混合。主要用天然或合成的蜡(如硬脂酸)作为改性剂。
原理及特点:通过3个转子的相对运动来改变气旋涡流等作用实现对粉体表面包覆。不需加热装置,投资省,运行成本低。


详细技术参数请咨询青岛优明科客服
全国服务热线